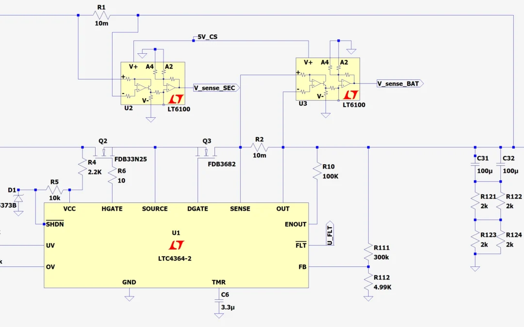
tl;dr: Power selection circuits present a unique analysis challenge: redundant input rails suggest inherent safety, yet component interdependencies create hidden failure propagation paths that can be easily missed. In this 24-component subsystem, what appeared to be...

Beitrag anzeigen